為了適應市場需求的變化,歐姆龍一直致力于新產品的研究和開發,為客戶提供更多的選擇和機會。現在歐姆龍推出G5RL系列新品,磁保持繼電器G5RL-K1A-EL-HA系列,也是一款全新的可耐高沖擊開關的閉鎖繼電器。
下面由廣州鼎悅電子來為你介紹下:

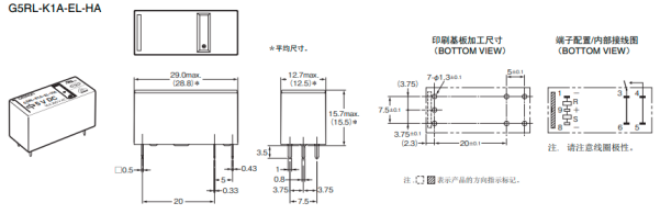
歐姆龍新品磁保持繼電器G5RL-K1A-EL-HA具有以下特點:
1、可以承受AC250V,16A的負載

2、耐沖擊、照明負載適用,符合電容器負載標準 (IEC60669-1);

3、低背型的外觀尺寸,適用于多種應用;

4、線圈與接點間的絕緣沿面距離8mm;
5、耐沖擊電壓高達10kV,高絕緣;
6、最高環境溫度可達85°C;
7、符合耐燃性國際安全規格 (IEC60335-1);
8、可廣泛應用于不間斷電源、工業設備、智能電表、照明控制、智能家居等領域。
對歐姆龍新品磁保持繼電器G5RL-K1A-EL-HA如果你還想更深入的了解,請站內咨詢我們-廣州鼎悅電子科技有限公司,可提供專業技術選型指導和樣品測試!



