全國服務熱線:
139-2897-4276
聯系人:李小姐
手機:13928974276
電話:020-34329972
郵箱:LXL@DY-ELE.COM
地址:廣州市番禺區番禺大道北555號天安總部中心14號樓1007室
| 驅動桿 | 端子規格 | 接觸規格 | 動作力(OF)最大 | 15A | 10A | 耐熱型 | |
|---|---|---|---|---|---|---|---|
| 15A | 10A | ||||||
|
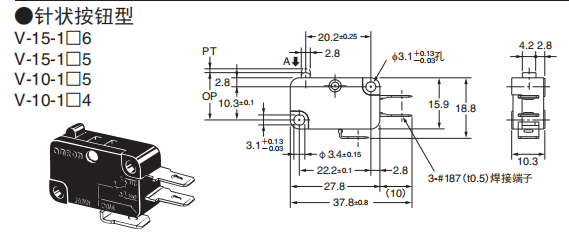
針狀按鈕型
|
焊接端子(A) | SPDT | 3.92N | V-15-1A6 | --- | V-15-1A6-T | --- |
| SPST-NC | V-15-2A6 | --- | --- | --- | |||
| SPST-NO | V-15-3A6 | --- | --- | --- | |||
| SPDT | 1.96N | V-15-1A5 | V-10-1A5 | V-15-1A5-T | V-10-1A5-T | ||
| SPST-NC | V-15-2A5 | V-10-2A5 | --- | --- | |||
| SPST-NO | V-15-3A5 | V-10-3A5 | --- | --- | |||
| SPDT | 0.98N | --- | V-10-1A4 | --- | V-10-1A4-T | ||
| SPST-NC | --- | V-10-2A4 | --- | V-10-2A4-T | |||
| SPST-NO | --- | V-10-3A4 | --- | V-10-3A4-T | |||
| #187接線片端子(C2) | SPDT | 3.92N | V-15-1C26 | --- | V-15-1C26-T | --- | |
| SPST-NC | V-15-2C26 | --- | --- | --- | |||
| SPST-NO | V-15-3C26 | --- | --- | --- | |||
| SPDT | 1.96N | V-15-1C25 | V-10-1C25 | V-15-1C25-T | V-10-1C25-T | ||
| SPST-NC | V-15-2C25 | V-10-2C25 | --- | --- | |||
| SPST-NO | V-15-3C25 | V-10-3C25 | --- | --- | |||
| SPDT | 0.98N | --- | V-10-1C24 | --- | V-10-1C24-T | ||
| SPST-NC | --- | V-10-2C24 | --- | --- | |||
| SPST-NO | --- | V-10-3C24 | --- | --- | |||
| #250接線片端子(C) | SPDT | 3.92N | V-15-1C6 | --- | V-15-1C6-T | --- | |
| SPST-NC | V-15-2C6 | --- | --- | --- | |||
| SPST-NO | V-15-3C6 | --- | --- | --- | |||
| SPDT | 1.96N | V-15-1C5 | V-10-1C5 | V-15-1C5-T | V-10-1C5-T | ||
| SPST-NC | V-15-2C5 | V-10-2C5 | --- | --- | |||
| SPST-NO | V-15-3C5 | V-10-3C5 | --- | --- | |||
| SPDT | 0.98N | --- | V-10-1C4 | --- | V-10-1C4-T | ||
| SPST-NC | --- | V-10-2C4 | --- | --- | |||
| SPST-NO | --- | V-10-3C4 | --- | --- | |||
|
阻性負載
|
|||||
|---|---|---|---|---|---|---|
| V-21 | AC250V | 21A | ||||
|
DC125V DC250V |
0.6A 0.3A |
|||||
| V-16 | AC250V | 16A | ||||
|
DC125V DC250V |
0.6A 0.3A |
|||||
| V-15 | AC250V | 15A | ||||
|
DC125V DC250V |
0.6A 0.3A |
|||||
| V-10 | AC250V | 10A | ||||
|
DC125V DC250V |
0.6A 0.3A |
|||||
| V-21(IN) | DC30V | 12 A | ||||
| 注: |
上述額定值是在下面的條件下試驗測得的數值。 |

版權所有©2017 廣州鼎悅電子科技有限公司
備案號:粵ICP備14034895號
服務熱線:4001386882/13902305242
E-MAIL: lxl@dy-ele.com
聯系人: 李小姐
地址:廣州市番禺區番禺大道北555號天安總部中心14號樓1007室

微信公眾號

微信二維碼